АБВ
Доступен для скачивания
краткий каталог продукции:
Блоки вентильные (манифольды) АБВ предназначены для безопасного подключения и демонтажа датчиков (например, ДДМ-801, ДДМ-801П, РПД-И, РПД-В и пр.) и преобразователей давления (например, ПД100И, ПД200-ДД и пр.) к технологической линии посредством импульсных трубок, отводов или напрямую в системах автоматического контроля, регулирования и управления технологическими процессами.
Позволяют:
- отключать измерительное оборудование от технологической линии для замены, проверки или ремонта без остановки производственного процесса;
- производить дренаж импульсной линии, сброс давления перед демонтажом прибора;
- выравнивать давление в камерах преобразователя для корректировки нулевого значения выходного сигнала (трехвентильные блоки АБВ30, АБВ32).
Особенности:
- Присоединение к технологической линии:
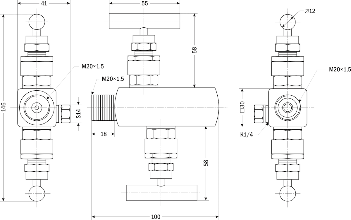
– АБВ13, АБВ21: внешнее М20×1,5
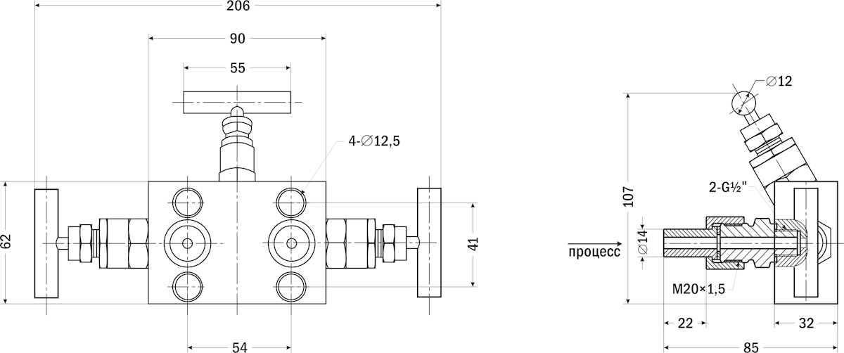
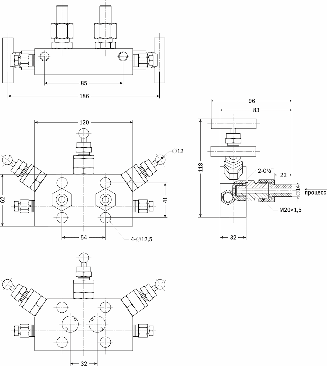
– АБВ30, АБВ32: внутреннее G½" (в комплекте переходной штуцер на М20×1,5 + ниппельное присоединение ∅ 14 мм с накидной гайкой) - Присоединение к датчику:
– АБВ13, АБВ21: внутреннее М20×1,5;
– АБВ30, АБВ32: фланцевый монтаж, межосевое расстояние 54 мм - Наличие на вентилях цветовой маркировки в виде колпачков позволяет без труда определить назначение: синий − изолирующий (запорный); оранжевый − дренажный (сброс); красный − уравнительный
- Используются в сборе с датчиками и преобразователями давления. Блоки состоят из корпуса, запорного вентиля, который обеспечивает изоляцию преобразователя от технологического процесса, и дренажных вентилей, которые обеспечивают дренаж среды и упрощают замену преобразователя.
- Конструкция блока может иметь от 1 до 3 вентилей:
– Блок одновентильный АБВ13 – один измерительный канал, где вентиль перекрывает канал от датчика к процессу. Дренажный канал перекрыт винтовой пробкой.
– Блок двухвентильный АБВ21 – один измерительный канал, где первый вентиль перекрывает канал от датчика к процессу, а второй вентиль перекрывает дренажный канал. Дренажный канал также перекрыт винтовой пробкой.
– Блок трехвентильный АБВ30 – два измерительных канала соединения с процессом, и на каждом канале по одному вентилю, перекрывающему канал от датчика к процессу. Третий (средний) вентиль объединяет два канала между собой и служит для корректировки нуля на датчике дифференциального давления. Дренажные каналы отсутствуют.
– Блок трехвентильный АБВ32 – два измерительных канала соединения с процессом, и на каждом канале по одному вентилю, перекрывающему канал от датчика к процессу. Третий (средний) вентиль объединяет два канала между собой и служит для корректировки нуля на датчике дифференциального давления. Имеются два дренажных канала, перекрытых игольчатыми болтами.
Технические характеристики:Параметр Значение Рабочая среда Жидкость, пар, газ
(кроме кислорода и кислородосодержащих сред, вступающих в реакцию с материалами изделия)Допускаемое давление рабочей среды 40 МПа Температура рабочей среды −40...+200°С Температура окружающей среды −40...+70°С Присоединение к технологической линии АБВ13, АБВ21: внешняя М20×1,5
(манометрический тип штуцера)
АБВ30, АБВ32: внутренняя G½"
(в комплекте переходной штуцер на М20×1,5
+ ниппельное присоединение ∅ 14 мм
с накидной гайкой)Присоединение к прибору АБВ13, АБВ21: внутренняя М20×1,5
АБВ30, АБВ32: фланцевый монтаж на
преобразователь с межосевым расстоянием 54 ммМатериал корпуса, вентиля, шпинделя Нержавеющая сталь Материал сальникового кольца PTFE
Модификации:
| Модификация | Тип вентильного
блока | Тип дренажа | Гидравлическая схема | Габаритные рамеры, мм | Вес, г |
| АБВ13 | одновентильный | винтовая пробка | ![]() | 114×80×28 | 545 |
| АБВ21 | двухвентильный | вентиль +
винтовая пробка | ![]() | 146×100×41 | 810 |
| АБВ30 | трехвентильный | без дренажа | ![]() | 107×206×85 | 1935 |
| АБВ32 | трехвентильный | игольчатые болты | ![]() | 118×196×96 | 2290 |
| Габаритные размеры |
АБВ13 |
АБВ21 |
АБВ30 |
АБВ32 |
Версия: 2025-08-29-СДГ
| Документ | Дата обновления |
| Паспорт на АБВ | 30.08.2025 |



